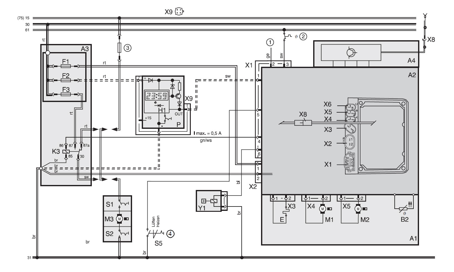
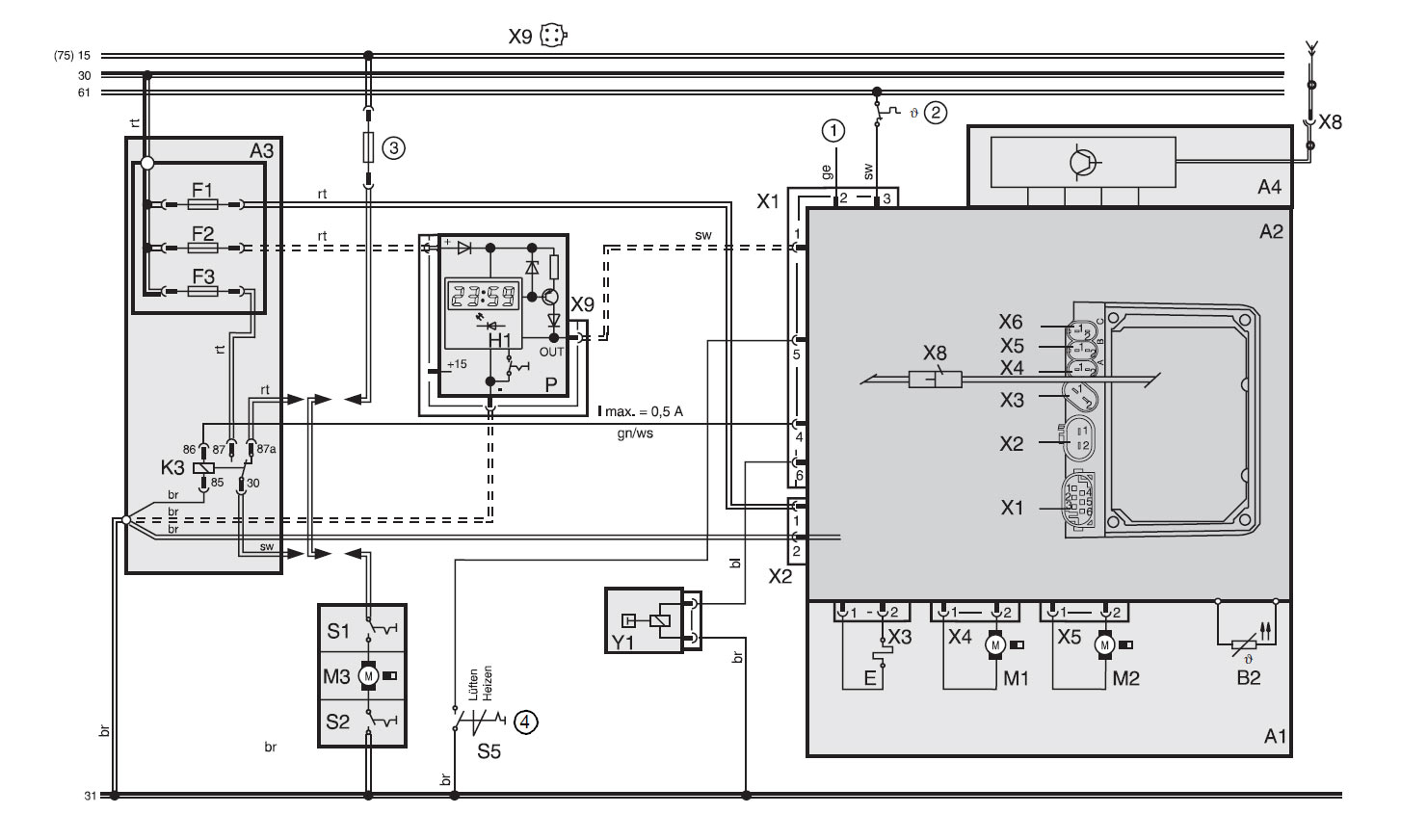
Ich hab ja im Galant eine Stanhdheizung von WEBASTO ohne Fernbedienung.
Da gibt es im Innenraum ein Bedienpanel. Das reagiert aber nicht mehr wenn man auf die Tasten drückt. Man konnte immer drei Heizzeiten und die Uhrzeit einstellen. Geht aber nicht mehr, keine Reaktion auf dem Display. Das Panel hat aber keine Batterie irgendwie integriert? Kann höchstens sein, dass da irgendwie ein Kabel locker ist... Ich kenn mich mit dem Standheizungskram gar nicht aus. Evtl. habt ihr ja paar kreative Gedanken.
Wäre ja echt blöd, wenn die kurz vor'm Winter hinüber ist.
Da gibt es im Innenraum ein Bedienpanel. Das reagiert aber nicht mehr wenn man auf die Tasten drückt. Man konnte immer drei Heizzeiten und die Uhrzeit einstellen. Geht aber nicht mehr, keine Reaktion auf dem Display. Das Panel hat aber keine Batterie irgendwie integriert? Kann höchstens sein, dass da irgendwie ein Kabel locker ist... Ich kenn mich mit dem Standheizungskram gar nicht aus. Evtl. habt ihr ja paar kreative Gedanken.
Wäre ja echt blöd, wenn die kurz vor'm Winter hinüber ist.

Ein Hinweis hab ich aber noch: Mir ist mal aufgefallen, als ich am Auto bissl gewerkelt hatte, dass das Display urplötzlich nen Reset-Screen eingeblendet hatte, wie als hätte ich die Batterie abgeklemmt gehabt.
