Hallo,
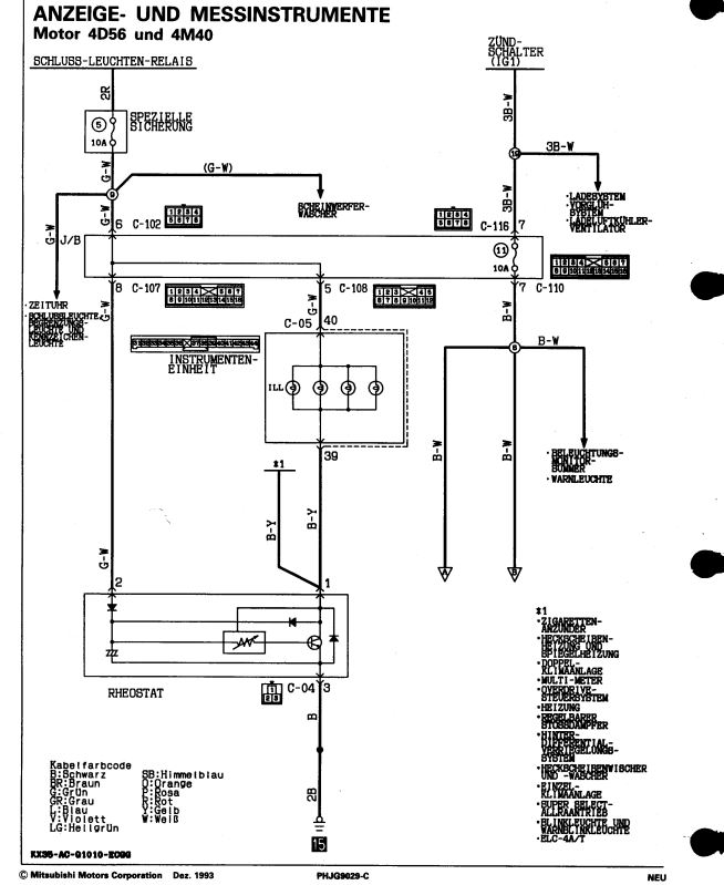
bei mir haben die Nebel Schlussleuchten nicht funktioniert. Die Glühbirnen waren in Ordnung, nun habe ich zum Testen den Schalter für die Schlussleuchten Links vom Lenkrad ersetzt. Die Schlussleuchten gehen immer noch nicht und nun ist es so dass sobalt ich das Standlicht/Abblendlicht einschalte die Allradanzeige aus geht und die Tachobeleuchtung garnicht erst angeht...
Habe leider im Forum nichts gefunden was zu 100% dazupasst..
Kann mir hier wer weiterhelfen?
Lg
bei mir haben die Nebel Schlussleuchten nicht funktioniert. Die Glühbirnen waren in Ordnung, nun habe ich zum Testen den Schalter für die Schlussleuchten Links vom Lenkrad ersetzt. Die Schlussleuchten gehen immer noch nicht und nun ist es so dass sobalt ich das Standlicht/Abblendlicht einschalte die Allradanzeige aus geht und die Tachobeleuchtung garnicht erst angeht...
Habe leider im Forum nichts gefunden was zu 100% dazupasst..
Kann mir hier wer weiterhelfen?
Lg
