Hi zusammen!
Um Euch nicht nochmal unnötig voll zu labern, hier mal eine Zusammenfassung:
Nach Motorstart läuft der Kompressor durch und schaltet nach 4 Minuten ab. Die Alarmleuchte geht an.
Die Hinterachse arbeitet, wie sie soll, die Vorderachse nicht.
Wenn ich die Front mit nem Wagenheber hoch nehme und später wieder ab lasse, steht die Front hoch und beide Beine sind bretthart. Das bleibt so, bis ich einige Kilometer auf schlechten Strassen gefahren bin. Also schließe ich einen undichten Luftbalg als Ursache aus. Ich hatte an beiden Vorderbeinen die Luftleitungen ab - es kam da nur ein kaum spürbares laues Lüftchen raus.
Hab folgendes ausprobiert:
- obere Ventilbank ausgebaut und Ventile auf Funktion und Dichtheit geprüft
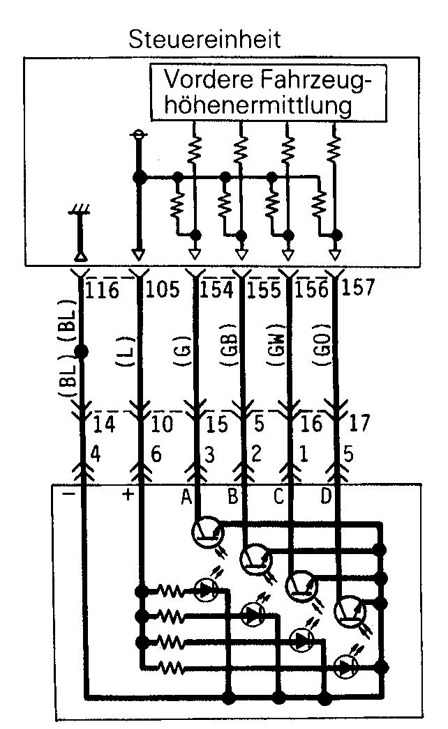
- Steuergerät auf "dicke Backen" und kalte Lötstellen geprüft
- Sensor mit 5 V Versorgungsspannung gefüttert (altes PC-Netzteil, lieferte 5,07 V), die Achse langsam gedreht und jeden einzelnen Sensoranschluss gemessen.
Resultat: da, wo laut Anleitung 0,00 - 0,50 V kommen sollen, kommen jeweils 0,01V raus (also im Rahmen). Da, wo laut Anleitung 4,5 - 5,0 V kommen sollten, kam gar nichts - 0,00 V. Seltsam. Vorsichtshalber hab ich das Gehäuse noch mit der Masse der Versorgungsspannung verbunden - gleiches Resultat.
- ausgebauten Sensor angeschlossen, Zündung an, Hebel langsam auf und ab bewegt: Ventile arbeiten
- Motor an: das selbe + Kompressor geht - je nach Hebelstellung - mal an und mal aus
schien alles normal, also das Ding wieder eingebaut und die Stange noch ab gelassen
- selbe Prozedur wiederholt: keine Reaktion auf Hebelbewegungen
- bei laufendem Motor keine Kompressorabschaltung mehr...
Höhensensor doch kaputt? Wackler? Oder...
Um Euch nicht nochmal unnötig voll zu labern, hier mal eine Zusammenfassung:
Nach Motorstart läuft der Kompressor durch und schaltet nach 4 Minuten ab. Die Alarmleuchte geht an.
Die Hinterachse arbeitet, wie sie soll, die Vorderachse nicht.
Wenn ich die Front mit nem Wagenheber hoch nehme und später wieder ab lasse, steht die Front hoch und beide Beine sind bretthart. Das bleibt so, bis ich einige Kilometer auf schlechten Strassen gefahren bin. Also schließe ich einen undichten Luftbalg als Ursache aus. Ich hatte an beiden Vorderbeinen die Luftleitungen ab - es kam da nur ein kaum spürbares laues Lüftchen raus.
Hab folgendes ausprobiert:
- obere Ventilbank ausgebaut und Ventile auf Funktion und Dichtheit geprüft
- Steuergerät auf "dicke Backen" und kalte Lötstellen geprüft
- Sensor mit 5 V Versorgungsspannung gefüttert (altes PC-Netzteil, lieferte 5,07 V), die Achse langsam gedreht und jeden einzelnen Sensoranschluss gemessen.
Resultat: da, wo laut Anleitung 0,00 - 0,50 V kommen sollen, kommen jeweils 0,01V raus (also im Rahmen). Da, wo laut Anleitung 4,5 - 5,0 V kommen sollten, kam gar nichts - 0,00 V. Seltsam. Vorsichtshalber hab ich das Gehäuse noch mit der Masse der Versorgungsspannung verbunden - gleiches Resultat.
- ausgebauten Sensor angeschlossen, Zündung an, Hebel langsam auf und ab bewegt: Ventile arbeiten
- Motor an: das selbe + Kompressor geht - je nach Hebelstellung - mal an und mal aus
schien alles normal, also das Ding wieder eingebaut und die Stange noch ab gelassen
- selbe Prozedur wiederholt: keine Reaktion auf Hebelbewegungen
- bei laufendem Motor keine Kompressorabschaltung mehr...
Höhensensor doch kaputt? Wackler? Oder...

