3000GT Wiederbelebung

    Diese Seite verwendet Cookies. Durch die Nutzung unserer Seite erklären Sie sich damit einverstanden, dass wir Cookies setzen. Weitere Informationen

      Tröste Dich Td der blubb hat sich bei mir schon mit 80 sachen in die Hose geschiessen, zumindest roch es so. °°%wegl

      Aber Ich muss Proxi recht geben, richtig Spass macht es jenseits der 200er Marke und ab 250 sieht die Straße aus wie die Röhre einer Geisterbahn, das ist der beste Sex den man im sitzen haben kann. °°%nude
      Hab mal ne Frage, auch speziell an Magu.

      Habt ihr es auf GT-Driver mal behandelt, wie man das Aktive Aero auch wieder im stand manuell einfahren kann?
      Nomal ist es ja so, dass ich es mittels den Schalter im Stand ausfahren kann. Z.b. zum Reinigen unter den Heckspoiler und der Venturi Schürze.
      Wieder einfahren kann ich es laut Anleitung nur, indem ich den Motor starte und über 2 km/h fahre.

      Ich suche gerade eine Lösung, wie es auch wieder einfahren geht, ohne den Motor zu starten und los zu fahren §§unschuld

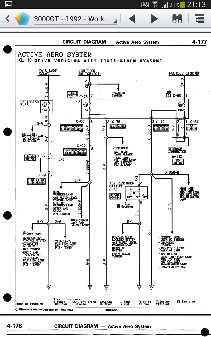
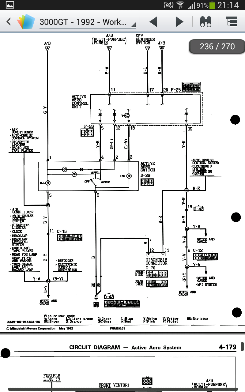
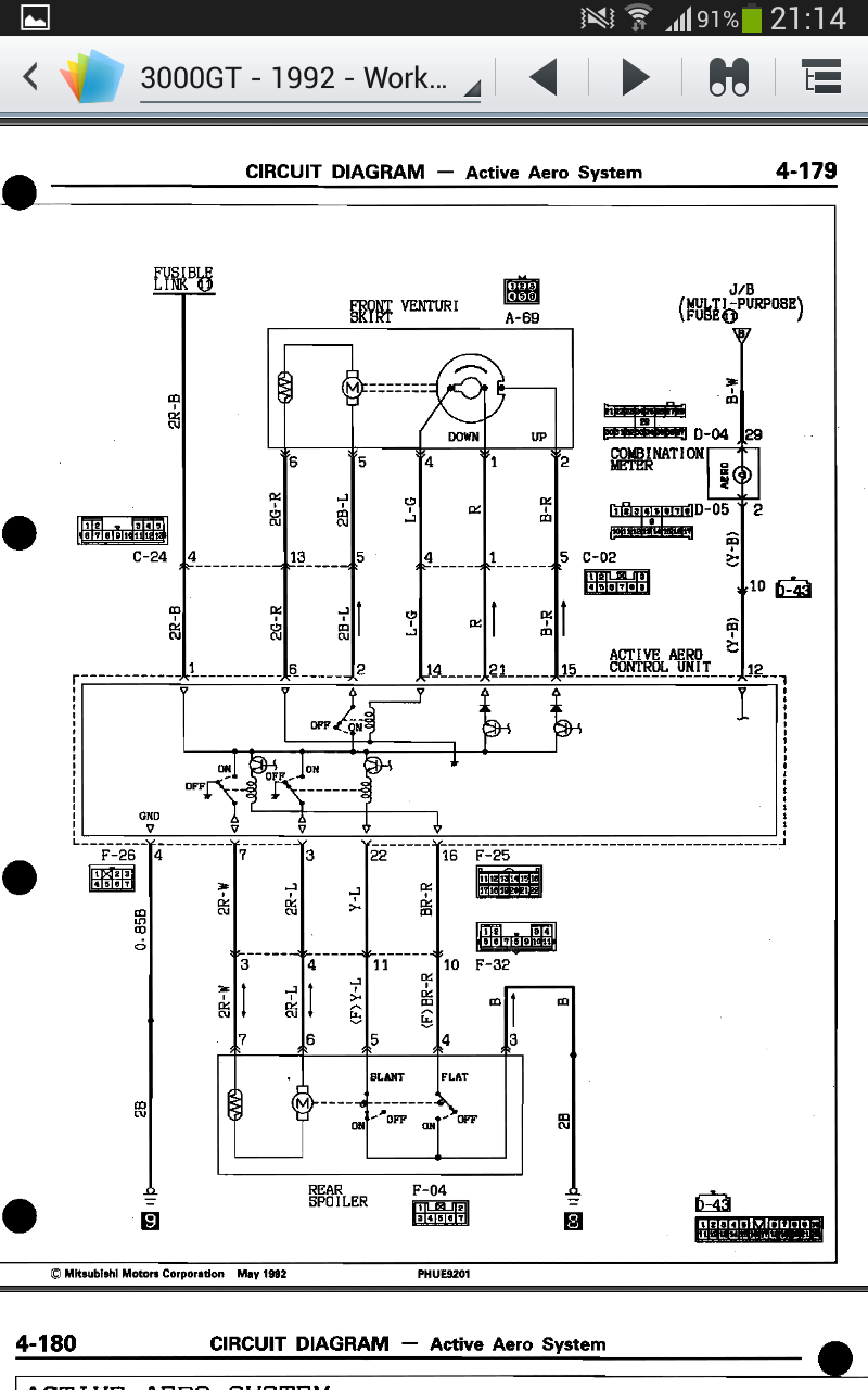
      Ich häng mal die Schaltpläne an...
      Bilder
      • 8 (1).png

        212,68 kB, 800×1.280, 14 mal angesehen
      • 8 (2).png

        192,11 kB, 800×1.280, 10 mal angesehen
      • 8 (3).png

        250,82 kB, 800×1.280, 13 mal angesehen
      Ich hab jetzt für euch zur Anschauung auch mal Fotos vom aktivieren Active Aero gemacht. (Heckspoiler und Frontschürze) Damit ihr euch überhaupt was darunter vorstellen könnt.
      Ist ja Unfug, wenn ich drüber quatsch, und keiner weiß um was es geht. (das hab ich schon zu Hause genug §wirr )









      Die Anlage besteht aus beweglichen Front- und Heckspoilern, die den Anpressdruck ab 80 Km/h automatisch erhöhen (hinten) und den Auftrieb (vorne) mindern.




      MaGu schrieb:

      Ich konnte es definitiv auch im Stand wieder ausschalten. Habe diverse Fotos unterm Carport geschossen, mit Schürze unten und oben, ohne das Auto dabei bewegt zu haben.


      Und wie? ?(

      In der Anleitung steht:


      AUTO (STELLUNG 1)
      Bei einer Fahrgeschindigkeit von etwa 80 km/h wird das aktive Aerodynamiksystem betriebstüchtig und die Betriebsanzeiche (A) leuchtet auf. Wenn die Fahrgeschwindigkeit auf etwa 50 km/h verringert wird, wird das aktive Aerodynamiksystem in den eingezogenen Status gebracht.

      STELLUNG 2
      Das aktive Aerodynamiksystem des stehenden Fahrzeuges wird in den Betreibsstatus gezwungen und die Betriebsanzeige (A) leuchtet auf. Wenn die Fahrgeschwinigkeit auf etwa 2 km/h erhöht wird, wird die Stellung automatisch auf STELLUNG 1 zurückgestellt.
      STELLUNG 2 beim Waschen des Fahrzeuges verwenden.
      HINWEIS
      Während das Fahrzeug gefahren wird, wird die STELLUNG 2 nicht eingeschaltet.


      AUS
      Das aktive Aerodynamiksystem verbleit in dem zurückgezogenen Status.




      Also zu Stellung 2: ich kann es nur aktivieren, und hab auch im Netz nur gefunden dass es erst ab 2Km/h wieder deaktiviert wird. Egal was ich schalte, im Stand geht es nicht wieder zurück,

      Hm, vielleicht war das bei deinen gen2 anders...
      Bei GT-Driver gibt hier einen Hinweis auf zwei verschiedene Units mit 7 bzw. 12 Steckern. Vielleicht liegts daran oder die Steuerung bei Typ 2 ist einfach nur anders. Darauf deutet ein englisches Manual hin, das für GT Elektrik von 1992 bis 1996 gilt, das wäre dann aber über den Modellwechsel hinausgegangen.

      Gruß
      Manfred
      Man lebt nur kurz und einmal.
      Auch unerfreuliches gab es ;(

      Die Domstrebe ist Unsinn in Tüten ;( ;( ;(
      Die Haube geht nich zu.


      Überall im Netz hab ich gelesen dass der GT wirklich keine strebe braucht, da er auch so verdammt steif ist. Ich wollte unbedingt eine, wegen der Optik. und nu das:

















      Jetzt darf ich mich mit der Verkäufer rum ärgern. Ich hab durch die Befestigungsschrauben ja den roten Lack schon beschädigt.
      Aber das Ding war ausgeschrieben für alle GTs von 1990 bis 1999. Der Muss mir die Kohle wieder geben, oder ?(

      Shadows of History schrieb:

      Aber das Ding war ausgeschrieben für alle GTs von 1990 bis 1999. Der Muss mir die Kohle wieder geben, oder

      In dem Fall muss er die Strebe zurück nehmen, da die ja eindeutig nicht passt. Er hat allerdings das recht dir einen Gutschein anstatt Geld zu geben, auch darf er dir eine Ersatz Strebe liefern die dann aber passen sollte.

      Hast die aus der Bucht? Mit Paypal bezahlt? Dann ist es ein leichtes das du dein Geld wieder bekommst.

      Ich würde dem Verkäufer zuerst das Bild mailen mit der Frage wie die passen soll? Ein bischen Dumm stellen würd ich mich auch noch. Hab ich die etwa verkehrt herum montiert? Ob den die Motorhaube welche zu der Strebe passt den noch nach komme?
      Ja so in der Art würde ich den befragen der gibt dir freiwillig dein Geld zurück... °°%rolf °°%rolf °°%rolf
      ... umschweissen ???? Dann kannste se ja gleich komplett selber machen !!!! :whistling: :whistling: :whistling: :whistling:
      Leute, die mit mir nicht auskommen, müssen eben noch an sich arbeiten !!! $finger $finger $finger



      Im Laufe der Jahre begriff ich, daß es unmöglich ist, allen zu gefallen. Daher entschied ich, einfach Allen auf den Sack zu gehen.
      Und ich liebe es..........
      Weder noch Manfred !!!!!!

      Das ist die Tragkonstruktion....... also die Strebe der Motorhaube........ §§unschuld §§unschuld §§unschuld
      Bilder
      • Unbenannt.jpg

        124,71 kB, 1.326×1.294, 47 mal angesehen
      Leute, die mit mir nicht auskommen, müssen eben noch an sich arbeiten !!! $finger $finger $finger



      Im Laufe der Jahre begriff ich, daß es unmöglich ist, allen zu gefallen. Daher entschied ich, einfach Allen auf den Sack zu gehen.
      Und ich liebe es..........

      Hat der TwinTurbo mehr Leistung dann hast du das hier übersehen.

      Aber macht nix, der Verkäufer bietet 1 Monat Widerrufsrecht an somit rufst den Morgen an und klärst wie du den Rückversand veranlassen sollst.
      Den der Warenwert liegt über 40.-€ und somit brauchst du die kosten für die Rücksendung nicht zu tragen.
      Umschweißen würd ich da nix, da kannst dir gleich selber eine bauen ...