wär nicht gut für die haltbarkeit des relais.
ich find nix zu dem hersteller. was steht auf dem karton? is "systafex" nur ne vertriebsmarke? ne webseite wär klasse.
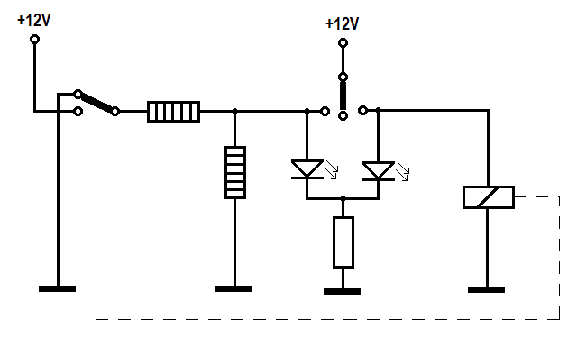
find nur eine anleitung ohne impressum elektrocity-online.de/einbauhi…%20Sitzheizung%200067.pdf
grüße schreckus
ich find nix zu dem hersteller. was steht auf dem karton? is "systafex" nur ne vertriebsmarke? ne webseite wär klasse.
find nur eine anleitung ohne impressum elektrocity-online.de/einbauhi…%20Sitzheizung%200067.pdf
grüße schreckus
DEKRA Ratgeber zum Thema Tuning
guten tag, ich hät gern nen 3er und nen 5er bohrer um nen 8er loch zu bohren.
nehmen sie doch lieber zwei 4er - dann brauchen sie nich umspannen!
guten tag, ich hät gern nen 3er und nen 5er bohrer um nen 8er loch zu bohren.
nehmen sie doch lieber zwei 4er - dann brauchen sie nich umspannen!

eventuell müsst man die isolierung abwickeln aber die kann man recht schnell wieder erneuern. da leidet der kabelbaum nich drunter.
